
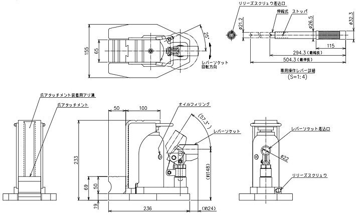
?? 鷹牌EAGLE GU-200多段爪式千斤頂為日本今野制作所生產,屬于重工業級別產品,爪位可按需求調整,爪載荷10噸頂載荷20噸,先授權煙臺開發區龍海起重工具有限公司銷售。

鷹牌EAGLE GU-200多段爪式千斤頂介紹:
* 鷹牌EAGLE GU-200多段爪式千斤頂配備安全閥,以防止過載,大大的提高了工作安全性
* 鷹牌EAGLE GU-200多段爪式千斤頂設計減速閥來控制精密機械水平調整與安裝的精準度。
* 鷹牌EAGLE GU-200多段爪式千斤頂主軸光滑,高強度鉻電鍍加工,使用多年不變形不漏油
* 鷹牌EAGLE GU-200多段爪式千斤頂多段式設計,輔助爪可自動調節高度之外;適應不同環境

![]()
GU-200多段爪式千斤頂為日本EAGEL? JACK原裝進口產品,保質1年,我公司承諾凡是客戶在我公司訂購的進口類產品均為原裝正品,絕不存在拆件貨,換件貨,假冒品牌產品,凡客戶從我公司訂購日本EAGEL? JACK產品如收到貨物時發現有拆件貨,換件貨,假冒、假貨仿貨均以100倍金額賠償。
產品選型:
產品資料:
鷹牌EAGEL千斤頂中國區域授權代理(授權書)