

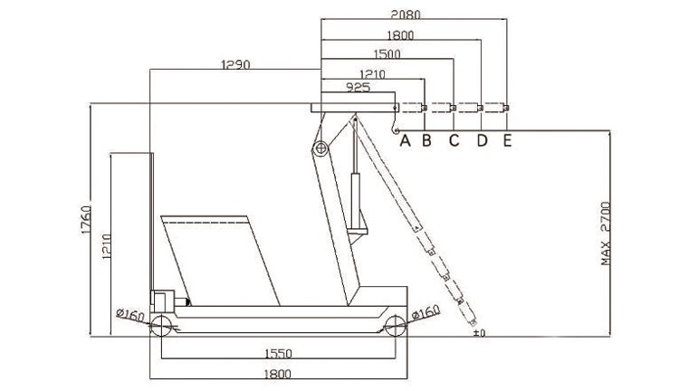
移動式液壓小吊車介紹:
*移動式液壓小吊車(配重式液壓小吊車)屬于龍升品牌液壓搬運車系列產品。
*移動式液壓小吊車就是可以移動起吊的液壓小吊車,同時具有平衡機制,移動靈活、安全。
*移動式液壓小吊車具有兩個固定PU前輪,兩個PU后輪,承載能力強,耐磨壽命長。
*移動式液壓小吊車安全性好在于:操作者可輕易地避開障礙物,吊起物品。


移動式液壓小吊車實拍:
![]() |
![]() |
| 移動式液壓小吊車實拍(一) | 移動式液壓小吊車實拍(二) |
![]() |
![]() |
| 移動式液壓小吊車實拍(三) | 移動式液壓小吊車實拍(四) |

移動式液壓小吊車屬于煙臺開發區龍海起重工具有限公司旗下品牌產品,產品保質周期為12個月(易損件除外),在產品保質周期內正常使用的情況下出現的質量問題,我公司可提供免費維修、免費更換配件、如因質量問題維修或更換配件仍然不能達到正常使用,可免費更換主機(產品附件以及易損件除外)由此產生的運輸,維修費用由我公司承擔。非質量問題我公司將收費處理,所產生的運輸、維修等費用由客戶承擔。
產品選型:液壓小吊車?