
?? 煙臺開發區龍海起重工具有限公司銷售日本馬沙達MASADA JACK液壓千斤頂:帶壓力表液壓千斤頂,載荷1噸~20噸,重量表示一目了然,破壞實驗、壓力作業等應用廣泛。

馬沙達MASADA帶壓力表液壓千斤頂介紹:
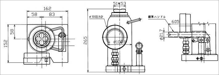
* 馬沙達MASADA帶壓力表液壓千斤頂的壓力表位置設置在機身前面,節省空間。
* 馬沙達MASADA帶壓力表液壓千斤頂采用合金鋼鍛造,主軸光滑摩擦力小不漏油,操作簡單省力。
* 馬沙達MASADA帶壓力表液壓千斤頂壓力表清晰顯示兆帕壓強,同時載荷重量,無需換算。
* 馬沙達MASADA帶壓力表液壓千斤頂測量負荷并用于壓碎測試設備,實驗室設備的壓力機等。
* 馬沙達MASADA帶壓力表液壓千斤頂壓力表上標有容量(TON)和內部壓力(Mpa)的指示

馬沙達MASADA帶壓力表液壓千斤頂實物:
![]() |
![]() |
| 馬沙達MASADA帶壓力表液壓千斤頂實拍(一) | 馬沙達MASADA帶壓力表液壓千斤頂實拍(二) |

馬沙達MASADA帶壓力表液壓千斤頂視頻:
以下為MASADA帶壓力表液壓千斤頂外形及簡單的操作等,若視頻不清晰或著不能正常播放,可與我公司人員聯系索要0535-6106526。
?
![]()
帶壓力表液壓千斤頂為日本馬沙達MASADA JACK產品,保質1年,自2024年9月開始,該型號產品為國產化,品質不變,交貨周期短,具體型號可來電咨詢
產品選型:液壓千斤頂?
相關產品:EAGLE帶壓力表液壓千斤頂(雙指針)EAGLE帶壓力表液壓千斤頂(單指針)